





vara |
värde |
Tolerans |
±1% |
Härstamning |
Kina |
Guangdong |
|
Leveranstid |
8-15 dagar |
Kvalitet |
1000-serien |
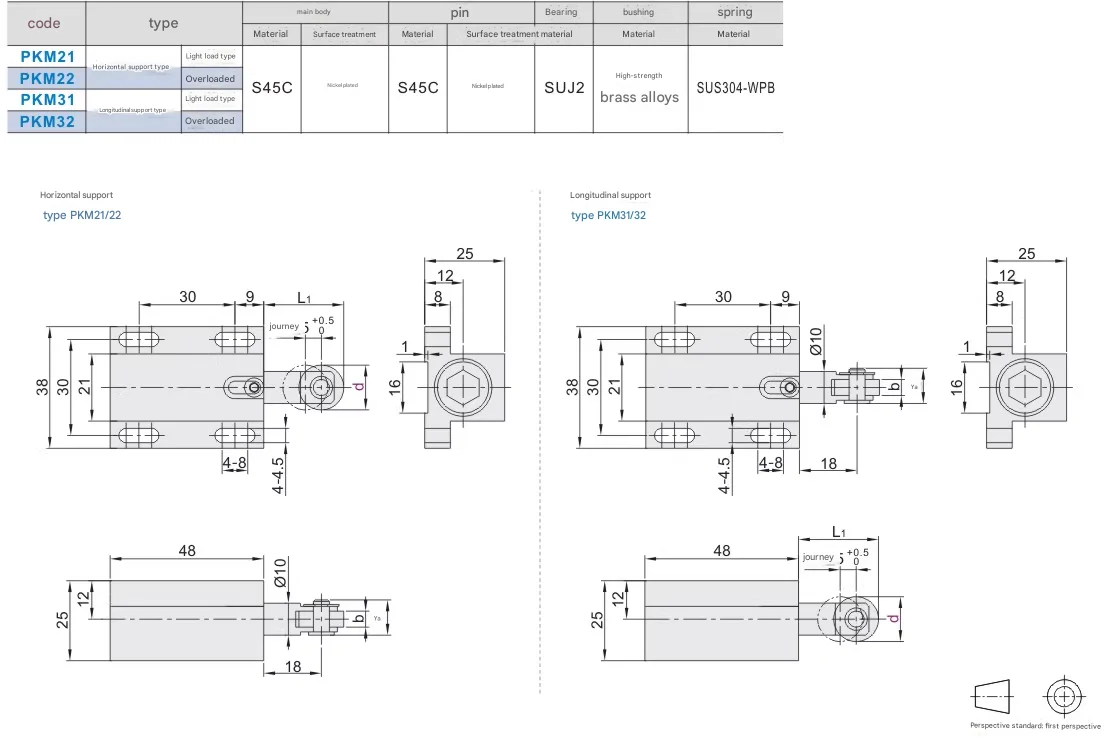
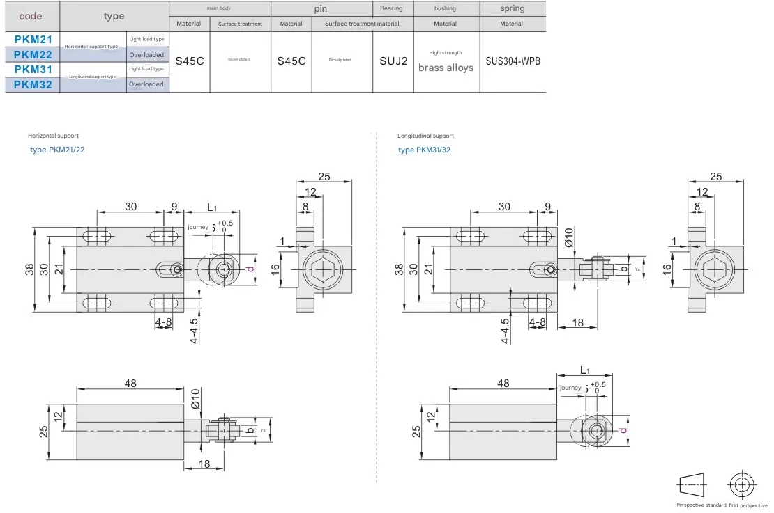
Modellnummer |
PKM21 |
Varumärke |
ingen |
Legering eller inte |
Är legering |
Ansökan |
Värmeavläggare |
Bearbetningstjänst |
Skärning |
Form |
Kvadratisk |
Humör |
T3-t8 |
























